Haciendo fácil el acercamiento a la electrónica
Diagramas esquemáticos.
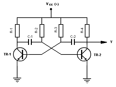
El diagrama esquemático es una representación gráfica de los circuitos electrónicos, están construidos por líneas y símbolos que representan las conexiones y los componentes reales que se encontrarán en el circuito.
En un diagrama esquemático se identifican los símbolos de los componentes para después construir un circuito real.


Para observar como funciona realmente el circuito, visita el siguiente enlace:
Prácticas para LABORATORIO
—————
—————